JUAL BURNER DUAL BLOCK RIELLO DB 9 – GAS DAN SOLAR
Burner Riello Dual Block DB9 Operasi progresif atau modulasi dua tahap dengan bahan bakar Gas dan Solar Burner Seri ini telah diaplikasikan di setiap perusahaan besar maupun kecil. Tingkat output dari 1500/5000 hingga 9500 kW
| Model | Ket | DB9 | |
| Metode pengendalian | Model | : | Kontrol Proporsional Mekanik/Elektronik |
| Tingkat keluaran | kW | : | Gas alam 1500-9500 |
| : | LPG 1900-9500 | ||
| : | minyak ringan 2400-9500 | ||
| : | minyak berat 3150-9500 | ||
| Voltase | pH/Hz/V | : | 1/50-60/230 – (1/50-60/110 berdasarkan permintaan) |
DB 9-12-16-20 dilengkapi dengan pengapian pilot, sedangkan untuk model DB 4-6 dapat dipasok sesuai permintaan. Seri DB dapat bekerja dengan udara yang dipanaskan terlebih dahulu hingga 150°C sebagai standar, hingga 250°C dengan konstruksi khusus. Kepala pembakaran geometri variabel baru memungkinkan untuk mencapai emisi NOx < 80 mg/kWh pada operasi gas alam. Sistem engsel untuk perawatan kepala pembakaran yang lebih mudah tersedia pada semua model. Sebagai bagian dari penawaran, tersedia berbagai aksesori (kipas angin, panel kontrol, rangkaian gas bertekanan tinggi, dll.
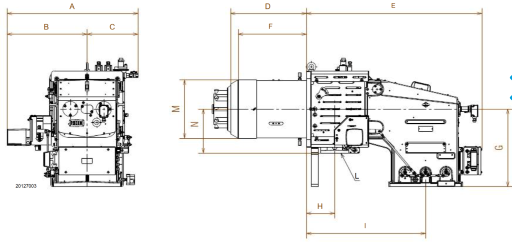
DIMENSI BURNER RIELLO DB9
DESKRIPSI KOMPONENT BURNER RIELLO DB 9
- Box with terminal board for electrical connections
- Air box
- Cover
- Maximum gas pressure switch
- Gas flow regulator
- Photocell
- Pilot burner gas ramp
- Servomotor
- Air pressure socket at the combustion head
- Air regulation cam
- Air duct connection flange
- Air pressure switch
- Flame viewer
- Combustion head
- Boiler connection flange
- Air damper position indicator
- Shutter
- Shutter movement lever
- Shutter movement lever
- Shutter locking screws during transport (replace them with the M12x16 screws supplied)
PT. INDIRA MITRA BOILER





Comments
No comment yet.