JUAL RIELLO RS 50 – GAS BURNER TWO STAGE
Burner Riello RS 50 adalah burner dua tahap dengan bahan bakar Gas baik Gas Alam atau LPG, memiliki rentang kapasitas 99.000 – 295.000 Kcal/h dan maksimal 516.000 Kcal/h dan telah dirancang untuk digunakan dalam boiler air panas suhu rendah atau sedang, boiler udara panas atau uap, boiler minyak diatermik. Pengoperasiannya adalah “progresif dua tahap”; pembakar dilengkapi dengan kotak kontrol pengaman pembakar berbasis mikroprosesor yang memberikan indikasi pengoperasian dan diagnosis penyebab kesalahan.
Kinerja kipas dan kepala pembakaran yang lebih tinggi, menjamin fleksibilitas penggunaan dan kinerja yang sangat baik pada semua laju pembakaran.
Desain eksklusif memastikan dimensi yang lebih kecil, penggunaan dan perawatan yang mudah. Optimalisasi emisi suara dijamin oleh desain khusus sirkuit penghisapan udara dan oleh material kedap suara yang disertakan. Berbagai macam aksesori menjamin fleksibilitas kerja yang lebih tinggi.
TEKNIKAL DATA RIELLO RS 50
- (1) Kondisi referensi: Suhu sekitar 20°C – Suhu gas 15°C – Tekanan barometrik 1013 mbar – Ketinggian 0 m dpl.
- (2) Tekanan pada titik uji 8) (Gbr. 4 pada halaman 12) dengan tekanan nol di ruang pembakaran dan pada output pembakar maksimum.
- (3) Tekanan suara diukur di laboratorium pembakaran pabrik, dengan pembakar beroperasi pada ketel uji dan pada output maksimum. Daya suara diukur dengan metode “Free Field”, sesuai EN 15036, dan menurut pengukuran “Akurasi: Kategori 3”, seperti yang dijelaskan dalam EN ISO 3746.
(4) Tabung ledakan: pendek-panjang

ELEKTRIKAL GAS BURNER RS 50
DESKRIPSI RIELLO RS 50
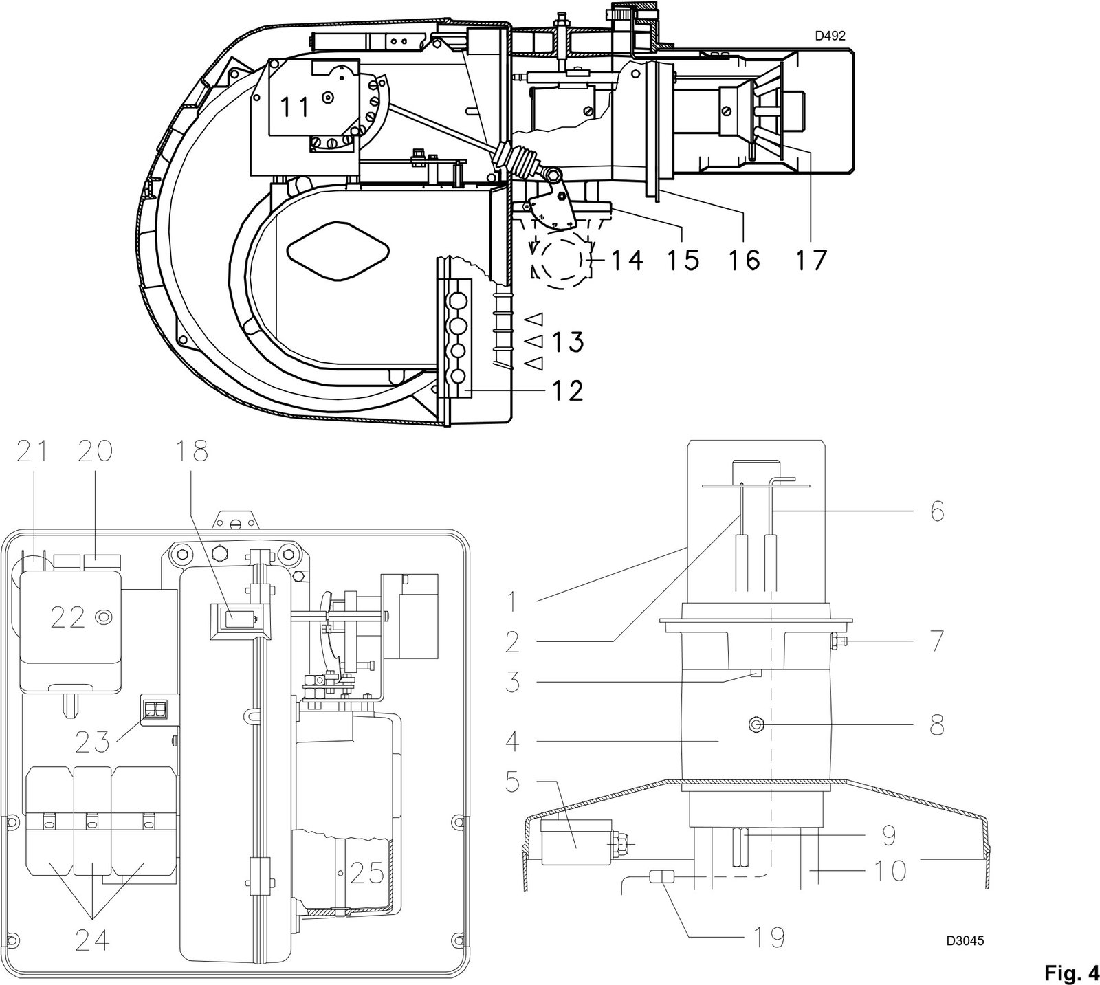
1 . Kepala pembakaran
2 . Elektroda pengapian
3 . Sekrup untuk penyetelan kepala pembakaran
4 . Kopling pipa
5 . Sakelar tekanan udara minimum (tipe diferensial)
6 . Sensor api
7 . Titik uji tekanan udara
8 . Titik uji tekanan gas dan sekrup pengencang kepala
9 . Sekrup yang menahan kipas ke selongsong
10 . Batang geser untuk membuka pembakar dan memeriksa
kepala pembakaran
11 . Servomotor yang mengendalikan katup kupu-kupu gas dan peredam udara, melalui mekanisme cam profil variabel. Saat pembakar tidak beroperasi, peredam udara tertutup sepenuhnya untuk meminimalkan penyebaran panas dari boiler akibat aliran asap yang menarik udara dari saluran masuk hisap kipas.
12 . Pelat dengan empat lubang knock-out untuk perutean kabel listrik
13 ‘ Saluran masuk udara ke kipas
14. Pipa masukan gas
15 .Katup kupu-kupu gas
16 Flensa pemasangan boiler
17 Cakram stabilitas api
18 Jendela pemeriksaan api
19 Soket colokan pada kabel probe ionisasi
20 Kontaktor motor dan relai termal dengan tombol reset (RS 38 tiga fase – RS 50)
21 Kapasitor motor (RS 28 – RS 38 fase tunggal)
22 Kotak kontrol dengan lampu pilot pengunci dan tombol reset
23 Dua sakelar listrik:
– satu untuk “menyalakan – mematikan pembakar”
– satu untuk “tahap 1 – 2”
24 Colokan untuk kabel listrik
25 Peredam udara
Dua jenis penguncian pembakar dapat terjadi:
PENGUNCIAN KOTAK KONTROL:
jika tombol kotak kontrol (LED merah) 22)(Gbr. 4) menyala, itu menunjukkan pembakar terkunci. Untuk mengatur ulang, tekan tombol tekan selama 1 hingga 3 detik.
KUNCI MOTOR (RS 38 tiga fase – RS 50):
Lepaskan dengan menekan tombol pada relai termal 20) (Gbr. 4)
Hubungi Kami
PT. INDIRA MITRA BOILER



Comments
No comment yet.