GAS BURNER RIELLO RS 50 – 500.000 KCAL

JUAL RIELLO RS 50 – GAS BURNER TWO STAGE

RIELLO RS 50 - GAS BURNER TWO STAGE

RIELLO RS 50 – GAS BURNER TWO STAGE

Burner Riello RS 50 adalah burner dua tahap dengan bahan bakar Gas baik Gas Alam atau LPG, memiliki rentang kapasitas 99.000 – 295.000 Kcal/h dan maksimal  516.000 Kcal/h dan telah dirancang untuk digunakan dalam boiler air panas suhu rendah atau sedang, boiler udara panas atau uap, boiler minyak diatermik. Pengoperasiannya adalah “progresif dua tahap”; pembakar dilengkapi dengan kotak kontrol pengaman pembakar berbasis mikroprosesor yang memberikan indikasi pengoperasian dan diagnosis penyebab kesalahan.

Kinerja kipas dan kepala pembakaran yang lebih tinggi, menjamin fleksibilitas penggunaan dan kinerja yang sangat baik pada semua laju pembakaran.

Desain eksklusif memastikan dimensi yang lebih kecil, penggunaan dan perawatan yang mudah. ​​Optimalisasi emisi suara dijamin oleh desain khusus sirkuit penghisapan udara dan oleh material kedap suara yang disertakan. Berbagai macam aksesori menjamin fleksibilitas kerja yang lebih tinggi.

 

TEKNIKAL DATA RIELLO RS 50

TEKNIKAL DATA RIELLO RS 50

TEKNIKAL DATA RIELLO RS 50

  • (1) Kondisi referensi: Suhu sekitar 20°C – Suhu gas 15°C – Tekanan barometrik 1013 mbar – Ketinggian 0 m dpl.
  • (2) Tekanan pada titik uji 8) (Gbr. 4 pada halaman 12) dengan tekanan nol di ruang pembakaran dan pada output pembakar maksimum.
  • (3) Tekanan suara diukur di laboratorium pembakaran pabrik, dengan pembakar beroperasi pada ketel uji dan pada output maksimum. Daya suara diukur dengan metode “Free Field”, sesuai EN 15036, dan menurut pengukuran “Akurasi: Kategori 3”, seperti yang dijelaskan dalam EN ISO 3746.

(4) Tabung ledakan: pendek-panjang

ELEKTRIKAL GAS BURNER RS 50

 

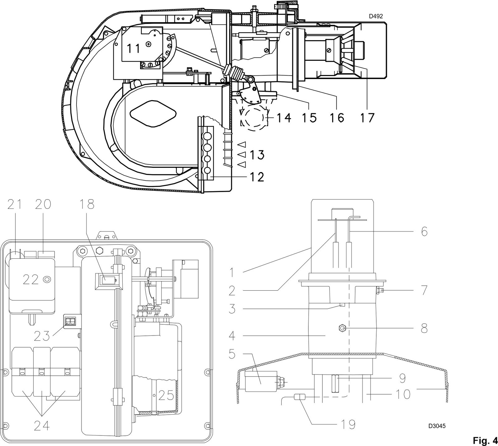
DESKRIPSI RIELLO RS 50

DESKRIPSI RIELLO RS 50

DESKRIPSI RIELLO RS 50

1 . Kepala pembakaran
2 . Elektroda pengapian
3 . Sekrup untuk penyetelan kepala pembakaran
4 . Kopling pipa
5 . Sakelar tekanan udara minimum (tipe diferensial)
6 . Sensor api
7 . Titik uji tekanan udara
8 . Titik uji tekanan gas dan sekrup pengencang kepala
9 . Sekrup yang menahan kipas ke selongsong
10 . Batang geser untuk membuka pembakar dan memeriksa
kepala pembakaran
11 . Servomotor yang mengendalikan katup kupu-kupu gas dan peredam udara, melalui mekanisme cam profil variabel. Saat pembakar tidak beroperasi, peredam udara tertutup sepenuhnya untuk meminimalkan penyebaran panas dari boiler akibat aliran asap yang menarik udara dari saluran masuk hisap kipas.

12 . Pelat dengan empat lubang knock-out untuk perutean kabel listrik
13 ‘ Saluran masuk udara ke kipas
14. Pipa masukan gas
15 .Katup kupu-kupu gas
16 Flensa pemasangan boiler
17 Cakram stabilitas api
18 Jendela pemeriksaan api
19 Soket colokan pada kabel probe ionisasi
20 Kontaktor motor dan relai termal dengan tombol reset (RS 38 tiga fase – RS 50)
21 Kapasitor motor (RS 28 – RS 38 fase tunggal)
22 Kotak kontrol dengan lampu pilot pengunci dan tombol reset
23 Dua sakelar listrik:
– satu untuk “menyalakan – mematikan pembakar”
– satu untuk “tahap 1 – 2”
24 Colokan untuk kabel listrik
25 Peredam udara
Dua jenis penguncian pembakar dapat terjadi:
PENGUNCIAN KOTAK KONTROL:
jika tombol kotak kontrol (LED merah) 22)(Gbr. 4) menyala, itu menunjukkan pembakar terkunci. Untuk mengatur ulang, tekan tombol tekan selama 1 hingga 3 detik.
KUNCI MOTOR (RS 38 tiga fase – RS 50):
Lepaskan dengan menekan tombol pada relai termal 20) (Gbr. 4)

 

Hubungi Kami

PT. INDIRA MITRA BOILER

Gudang : Blk. D19 Jl. Utama Raya Perum Permata Sepatan No.21, Pisangan Jaya, Kec. Sepatan, Kabupaten Tangerang, Banten 15520
Office    :  Emerald Residence Sepatan Ruko 8i, RT.026/RW.005, Kosambi, Kec. Sukadiri, Kabupaten Tangerang, Banten 15530
Whatsapp : 0895 3287 02165
Mobile       : 0821 1185 1623
Tlp             : 021 5011 0567
Email         : wahyuidm86@gmail.com
                      wahyuspi46@gmail.com

Share the Post

About the Author

Comments

No comment yet.

Leave a Reply

Alamat email Anda tidak akan dipublikasikan. Ruas yang wajib ditandai *