JUAL RIELLO GAS 4/2 (522 T80) – BURNER GAS TWO STAGE 154.800 – 404.200 KCAL
Burner/pembakar Seri GAS 4/2 mencakup rentang pembakaran dari 154.800 hingga 404.200 Kcal dan telah dirancang untuk digunakan dalam instalasi sipil berdimensi rata-rata, seperti area bangunan dan kelompok apartemen besar atau untuk digunakan dalam aplikasi industri, seperti pabrik kecil atau sedang.
Pengoperasiannya dua tahap; kepala pembakaran, yang dapat diatur berdasarkan output yang dibutuhkan, memungkinkan kinerja optimal yang memastikan pembakaran yang baik dan mengurangi konsumsi bahan bakar.
Fitur utama pembakar ini adalah keandalannya karena konstruksinya yang sederhana dan kuat, yang memungkinkan pengoperasian tanpa intervensi perawatan khusus. Perawatan yang disederhanakan dicapai dengan sistem bilah geser, yang memungkinkan akses mudah ke semua komponen penting dari kepala pembakaran. Semua komponen listrik mudah diakses hanya dengan melepas panel pelindung, sehingga menjamin intervensi yang cepat dan sederhana pada komponen.
TEKNIKAL DATA RIELLO GAS 4/2
Pembakar GAS 4/2 merupakan bagian dari seri Riello GAS/2 , yang dirancang untuk menawarkan solusi industri berkinerja tinggi. Model ini beroperasi pada api tinggi dan rendah (2 tahap) , dengan kemampuan untuk beralih di antara keduanya melalui servomotor/modulator/aktuator . Model ini memiliki rentang daya dari 120/180 hingga 470 kW (409.824,0/614.736,0 – 1.605.144,0 BTU/jam) . Dilengkapi dengan kit untuk gas alam, dengan opsi untuk dimodifikasi agar dapat digunakan dengan gas LP, sehingga memberikan fleksibilitas ideal untuk berbagai aplikasi.
DESKRIPSI RIELLO GAS 3/2
- Batang geser untuk membuka pembakar dan memeriksa kepala pembakaran
- Kepala pembakaran
- Katup gerbang udara tertutup hingga kehilangan panas berkurang.
- Sakelar tekanan udara
- Kapasitor
(Model GAS 3/2 – 4/2) - Pembuat kontak motor dan relai termal
(Model GAS 5/2 – 6/2 – 7/2) - Strip terminal
- Kabel yang bagus
(untuk sambungan listrik oleh pemasang) - Kotak kontrol dengan lampu pilot pengunci dan tombol reset pengunci
- Servomotor kontrol katup gerbang udara
(bukan untuk kode 20102494) - Titik uji tekanan kipas
- Titik uji tekanan gas ke selongsong
- Pipa masukan gas
- Selongsong
- Soket colokan pada kabel probe ionisasi
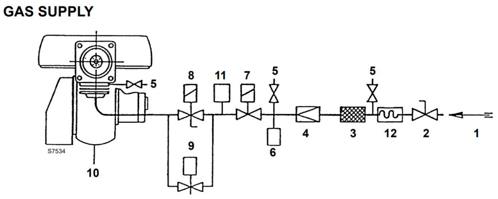
GASTRAIN
1 – Gas pipe line 7 – Gas safety shut off valve
2 – Cock valve 8 – 1st stage gas shut off valve
3 – Filter 9 – 2nd stage gas shut off valve
4 – Pressure stabilizer 10 – Burner
5 – Pressure test-point 11 – Gas leak control device
6 – Minimal gas pressure switch 12 – Isolator joint
BURNER ELECTRICAL WIRING
Hubungi Kami
PT. INDIRA MITRA BOILER








Comments
No comment yet.