BURNERS RIELLO – BAHAN BAKAR SOLAR TWO STAGE
Burner Solar/pembakar minyak adalah alat pemanas yang mencampur bahan bakar minyak dengan udara dalam kondisi terkendali. Pada sebagian besar pembakar, minyak disuplai di bawah tekanan ke nosel atomisasi untuk menghasilkan semprotan halus/menyeprai, yang kemudian udara ditambahkan oleh kipas Blower yang digerakkan motor.
Saat semprotan berbentuk kerucut muncul dari nosel, penyalaan biasanya disuplai oleh percikan listrik dengan komponen Ignition untuk menyalakan pembakar. Menyalakan dan mematikan biasanya dikontrol oleh termostat. Pada jenis pembakar komersial-industri, bahan bakar minyak yang lebih berat digunakan, yang memerlukan atomisasi mekanis.
PRODUK BURNER RIELLO SERI RL
Seri pembakar RL mencakup rentang pembakaran dari 154 hingga 2700 kW, dan telah dirancang untuk digunakan dalam boiler air panas suhu rendah atau sedang, boiler udara panas atau uap, boiler minyak diatermik.
Pengoperasiannya adalah “dua tahap”; pembakar dilengkapi dengan panel kontrol berbasis mikroprosesor, yang memberikan indikasi status pembakar dan penyebab kesalahan. Optimalisasi emisi suara dijamin oleh desain khusus sirkuit penghisapan udara dan oleh material kedap suara yang disertakan. Peningkatan kinerja kipas dan kepala pembakaran, menjamin fleksibilitas penggunaan dan kinerja yang sangat baik pada semua laju pembakaran.
Desain eksklusif memastikan dimensi yang diperkecil, penggunaan dan perawatan yang mudah. Berbagai macam aksesori menjamin peningkatan fleksibilitas kerja.
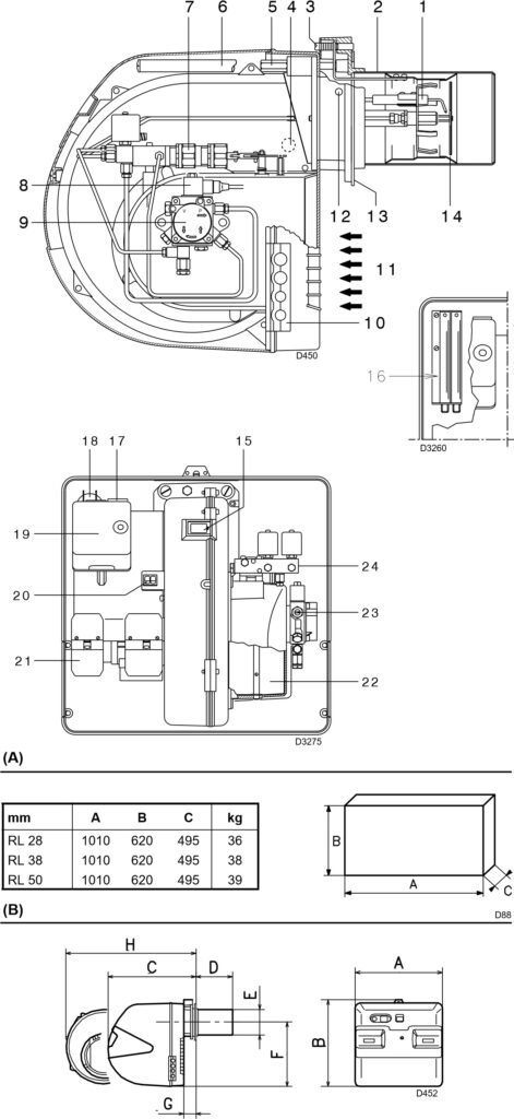
TECHNICAL DATA RIELLO RL28/RL38/RL50
DESKRIPSI BURNER RIELLO RL28/RL38/RL50
DESKRIPSI PEMBAKAR (A)
- Elektroda pengapian
- Kepala pembakaran
- Sekrup untuk penyetelan kepala pembakaran
- Fotosel untuk kontrol keberadaan api
- Sekrup untuk memasang kipas ke flensa
- Geser palang untuk membuka burner dan memeriksa kepala pembakaran
- Silinder hidrolik untuk pengaturan katup gerbang udara pada posisi tahap 1 dan 2. Saat burner tidak beroperasi katup gerbang udara ditutup penuh untuk mengurangi dispersi panas dari boiler akibat aliran buang yang menarik udara dari saluran masuk hisap kipas.
- Katup solenoid pengaman (RL 38 – RL 50)
- Pompa
- Plat telah diatur sebelumnya untuk mengebor 4 lubang untuk saluran selang dan kabel listrik.
- Saluran masuk udara ke kipas
- Titik uji tekanan kipas
- Flensa pemasangan ketel
- Disk stabilitas api
- Jendela pemeriksaan api
- Ekstensi untuk bilah geser 6)
- Kontaktor motor dan tombol reset pemutus termal (RL 38 tiga fasa – RL 50)
- Kapasitor motor (RL 28 – RL 38 fase tunggal)
- Kotak kontrol dengan lampu pilot pengunci dan tombol reset pengunci
- Dua sakelar: – satu “burner mati – hidup” – satu untuk “operasi tahap 1 – 2”
- Colokan untuk sambungan listrik
- Katup gerbang udara
- Penyesuaian tekanan pompa
- Rakitan katup tahap 1 dan 2 Dua jenis
kegagalan burner dapat terjadi: Penguncian kotak kontrol: jika tombol tekan kotak kontrol 19)(A) (led merah) menyala, ini menunjukkan bahwa burner dalam keadaan terkunci. Untuk mengatur ulang, tahan tombol tekan ke bawah selama antara 1 dan 3 detik. Trip motor (RL 38 tiga fase – RL 50): lepaskan dengan menekan tombol pada pemutus termal 17)(A).
TECHNICAL DATA RIELLO RL70/RL100/RL130
DESKRIPSI DATA RIELLO RL70/RL100/RL130
Deskripsi pembakar (Gbr. 1) posisi kepala bustion dan tahap ke-2. Saat burner tidak beroperasi katup gerbang udara ditutup penuh untuk mengurangi dispersi panas dari boiler akibat aliran buang yang menarik udara dari saluran masuk hisap kipas.
- 17. Kontaktor motor dan pemutus termal dengan tombol reset
- 18. Rakitan katup tahap ke-1 dan ke-2
- 19. Strip terminal
- 20. Dua sakelar: – satu “pembakar mati – hidup” – satu untuk “operasi tahap 1 – 2”
- 21. Fairleads untuk pengkabelan dilakukan oleh pemasang
- 22. Kotak kontrol dengan lampu pilot pengunci dan tombol reset pengunci
- 23. Jendela pemeriksaan api
- 24. Penyesuaian tekanan pompa
- 25. Fotoresistor untuk mengontrol keberadaan api Dua jenis
kegagalan burner dapat terjadi: Penguncian kotak kontrol: jika kotak kontrol 22)(Gbr. 1) tombol tekan (led merah) menyala, ini menandakan bahwa burner dalam keadaan terkunci. Untuk mengatur ulang, tahan tombol selama antara 1 dan 3 detik. Motor trip: lepaskan dengan menekan tombol pada pemutus termal 17)(Gbr. 1).
Hubungi Kami








Comments
No comment yet.