JUAL RIELLO RS 45 – 55/M BLU LOW NOX RIELLO GAS BURNER MODULATING
Seri pembakar Riello RS 45/M – RS 55/M BLU mencakup rentang pembakaran dari 90 hingga 680 kW, dan telah dirancang untuk digunakan dalam boiler air panas suhu rendah atau sedang, boiler udara panas atau uap, boiler minyak diatermik.
Pengoperasiannya dapat berupa “progresif dua tahap” atau, sebagai alternatif, “modulasi” dengan pemasangan regulator logika PID dan probe terkait. Seri pembakar RS/M BLU menjamin tingkat efisiensi tinggi dalam semua berbagai aplikasi, sehingga mengurangi konsumsi bahan bakar dan biaya pengoperasian.
Desain eksklusif memastikan dimensi yang diperkecil, penggunaan dan perawatan yang mudah. Optimalisasi emisi suara dijamin oleh desain khusus sirkuit penghisapan udara dan oleh material kedap suara yang disertakan. Berbagai macam aksesori menjamin fleksibilitas kerja yang tinggi.
Seri Lanjutan RS/M BLU Modulating:
RS 25/M BLU 45/125 ÷ 370 kW
RS 35/M BLU 72/202 ÷ 480 kW
RS 45/M BLU 90/190 ÷ 550 kW
RS 55/M BLU 100/300 ÷ 680 kW
RS 68/M BLU 150/350 ÷ 860 kW
RS 120/M BLU 300/600 ÷ 1300 kW
RS 160/M BLU 300/930 ÷ 1860 kW
RS 200/M BLU 570/1375 ÷ 2400 kW
TEKNIKAL DATA RIELLO RS 45 – 55/M BLU

(1) Kondisi referensi: Suhu sekitar 20°C – Suhu gas 15°C – Tekanan barometrik 1013 mbar – Ketinggian 0 m di atas permukaan laut.
(2) Tekanan pada soket 5) (Gbr. 5) dengan tekanan nol di ruang pembakaran dan pada output pembakar maksimum.
(3) Uji emisi kebisingan dilakukan sesuai dengan Petunjuk EN 15036-1, dengan akurasi pengukuran ó = ± 1,5 dB, di laboratorium pembakaran pabrikan dengan pembakar beroperasi pada ketel uji pada output maksimum.
FIRING RATE RIELLO RS 45 – 55/M
Kombinasi pembakar/boiler tidak menimbulkan masalah jika boiler disetujui EC dan dimensi ruang pembakarannya serupa dengan yang ditunjukkan dalam diagram (Gbr. 3).
Jika pembakar harus dikombinasikan dengan boiler yang belum disetujui EC dan/atau dimensi ruang pembakarannya jelas lebih kecil daripada yang ditunjukkan dalam diagram (Gbr. 3), konsultasikan dengan produsen.
Laju pembakaran diperoleh dalam boiler uji khusus, menurut peraturan EN 676.
Pada Gbr. 3 Anda dapat melihat diameter dan panjang ruang pembakaran uji.
Contoh:
Output 400 kW – diameter 50 cm – panjang 1,45 m.
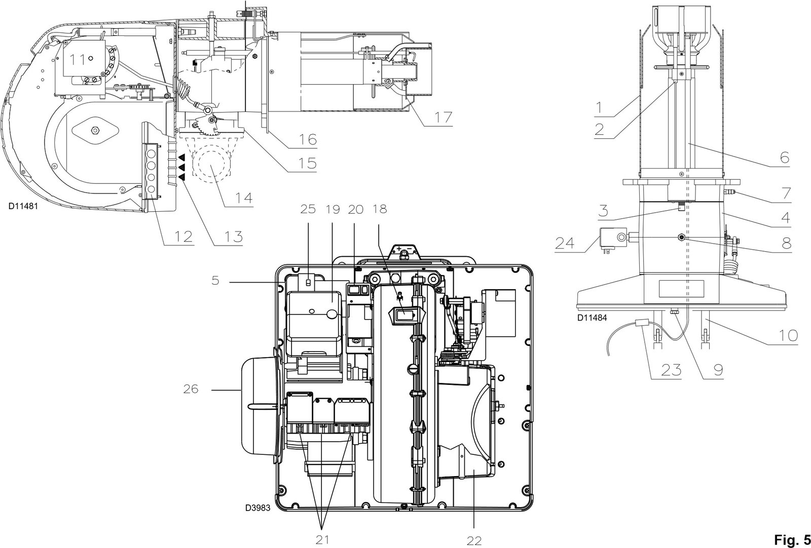
DESKRIPSI BURNER RIELLO RS 45 – 55/M
- Kepala pembakaran
- Elektroda pengapian
- Sekrup untuk penyetelan kepala pembakaran
- Kopling pipa
- Sakelar tekanan udara minimum (tipe diferensial)
- Probe sensor api
- Soket tekanan udara
- Titik uji tekanan gas dan sekrup pengencang kepala
- Sekrup yang menahan kipas ke kopling pipa
- Batang geser untuk membuka pembakar dan memeriksa kepala pembakaran
- Servomotor yang mengendalikan katup kupu-kupu gas dan katup peredam udara (dengan mekanisme cam profil yang dapat disetel).
Saat pembakar tidak beroperasi, katup gerbang udara tertutup sepenuhnya untuk mengurangi penyebaran panas dari boiler karena aliran asap yang menarik udara dari saluran masuk hisap kipas. - Pelat dengan empat lubang knock-out untuk perutean kabel listrik
- Saluran masuk udara kipas
- Pipa masukan gas
- Katup kupu-kupu gas
- Flensa pemasangan boiler
- Cakram stabilitas api
- Jendela pemeriksaan api
- Kotak kontrol dengan lampu pilot pengunci dan tombol reset pengunci
- Sakelar daya untuk: otomatis – manual – mati
Tombol untuk: peningkatan daya – pengurangan daya - Steker untuk kabel listrik
- Peredam udara
- Soket colokan pada kabel probe ionisasi
- Sakelar tekanan gas maksimum
- Pembuat kontak motor dan relai termal dengan tombol reset
- Perlindungan motor
CATATAN
Dua jenis penguncian pembakar dapat terjadi:
Penguncian kotak kontrol:
jika tombol tekan kotak kontrol 19)(Gbr. 5) menyala, ini menunjukkan bahwa pembakar terkunci.
Untuk mereset, tekan tombol.
Penguncian motor:
pasokan listrik tiga fase; untuk membuka blokir, tekan sakelar relai termal 25)(Gbr. 5).
GASTRAIN BURNER

1 Menghantarkan gas masuk
2 Panduan katup
3 Junta antivibratoria
4 Kontrol dengan katup pulsar
5 Multiblok yang termasuk:
– filtro (berkelanjutan)
– katup berfungsi
– pengatur tekanan
6 Tekanan gas minimum
7 Perangkat kendali pintu masuk katup.
Sesuai dengan norma EN 676, kendali stadion adalah wajib bagi mereka yang memiliki potensi maksimal
1200kW.
8 junta
9 Katup Pengangkut Gas
10 Tekanan gas maksimal (aksesori)
11 Adaptor rampa – quemador
P1 Tekan pada lampu pembakaran
P2 Tekanan sebelum katup/pengatur
P3 Tekan sebelum filter
L Rampa de gas suministrada por separado con el codigo indicado en Tab. G
L1 Tempat pemasangan kargo
PT. INDIRA MITRA BOILER




Comments
No comment yet.