CONTROL GAS BURNER RIELLO R40 FS10 / FS20 RMG 88.62.C2 (SIEMENS)
CONTROL GAS BURNER RIELLO R40 FS10 / FS20 RMG 88.62.C2 (SIEMENS)
-
CONTROL GAS BURNER RIELLO R40 FS10 / FS20 RMG 88.62.C2 (SIEMENS)
Control Burner gas Riello, RMG 88.62C2 ( SIEMENS ) Adalah komponen pengendali pada sistem pembakar (burner) berbahan bakar GAS buatan Italia dengan merek RIELLO, biasanya untuk operasi satu tahap/ dua tahap.
Kontrol pembakar dirancang untuk memulai dan mengawasi pembakar dengan rancangan paksa satu atau multitahap dalam operasi intermiten. RMG… untuk pembakar gas dengan rancangan paksa. Saat membakar minyak, nyala api kuning diawasi dengan detektor fotoresistif QRB1B…, dan nyala api biru dengan detektor nyala api biru QRC… Saat membakar gas, nyala api diawasi dengan probe ionisasi atau detektor nyala QRA… (dengan unit tambahan AGQ2…A27).
SPESIFIKASI CONTROL RMG 88.62.C2
Parameter Nilai / Keterangan Tegangan suplai AC 220…240 V ±10 % Frekuensi 50 / 60 Hz ±6 % Konsumsi daya Sekitar 20 VA Fuse internal T6.3H 250 V Proteksi / Kelas IP20 Suhu operasi Sekitar –20 °C hingga +60 °C Berat (perkiraan) ~ 260 g CONTROL BURNER RIELLO SERI R40 FS10/ FS20
Seri pembakar gas satu tahap Riello 40 FS merupakan rangkaian lengkap produk yang dikembangkan untuk memenuhi segala kebutuhan aplikasi industri ringan. Seri Riello 40 FS tersedia dalam lima model berbeda, dengan daya berkisar antara 11 hingga 220 kW, terbagi dalam empat struktur berbeda. Semua model menggunakan komponen yang sama yang dirancang oleh Riello untuk seri Riello 40 FS. Kualitas tinggi menjamin keamanan kerja. Pembakar Riello 40 FS dilengkapi dengan kotak kontrol berbasis mikroprosesor dengan fungsi diagnostik
Detail Spare Part KOTAK KONTROL RMG 88.62.C2 Kompatibilitas Pembakar Riello Bahan Bakar GAS dengan Kode Pembakar Model Pembakar Seri GAS/2 sebagai berikut:
- S/N 3755426 RIELLO 40 FS 10
- S/N 3755616 RIELLO 40 FS 20
- S/N 3757714 RIELLO 40 FS20D
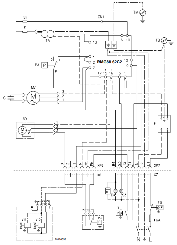
STANDART WIRING CONTROL RIELLO R40 FS RMG 88.62.C2
Kunci (Gbr. 17)
AD Motor pembuka peredam udara
B4 Sinyal operasi
C Kapasitor motor
CN1 Konektor probe ionisasi
E Elektroda pengapian
F Filter
h1 Penghitung jam (maks. 230V – 0,1A)
MV Motor kipas
PA Sakelar tekanan udara
PG Sakelar tekanan gas minimum
S3 Blok lampu (maks. 230V – 0,5A)
SO Probe ionisasi
TA Trafo pengapian
TB Pembumian pembakar
TL Termostat batas
TM Rak pembakar
TS Termostat pengaman
T6A Sekring
V10 Katup pengaman
V11 Katup pengatur
Soket 6 kutub XP6
Soket 7 kutub XP7
Steker 6 pin X6
Steker 7 pin X7Diagnostik visual program startup
Saat beroperasi normal, berbagai status pengoperasian dapat dilihat pada LED kotak kontrol (tombol reset) yang ditunjukkan dalam bentuk kode warna (Tab. H).
Kotak kontrol memiliki fungsi yang memungkinkan untuk memastikan fungsi pembakar yang benar (sinyal: LED HIJAU menyala terus-menerus).
Untuk menggunakan fungsi ini, Anda perlu menunggu setidaknya 10 detik sejak waktu pembakar menyala dan menekan tombol pada kotak kontrol selama minimal 3 detik.
Setelah tombol dilepaskan, LED HIJAU mulai berkedip, seperti ditunjukkan pada Tabel H.
Denyut-denyut LED membentuk sinyal dengan jarak sekitar 3 detik.
Jumlah denyut akan mengukur waktu deteksi probe sejak katup gas dibuka, sesuai dengan: Tabel I.
Waktu ini diperbarui setiap pembakar dinyalakan.
Setelah terbaca, pembakar mengulangi siklus penyalaan dengan menekan sebentar tombol kotak kontrol.Jika ada kebutuhan/info tentang Control Burner Riello Gas/2 Type RMG 88.62.c2
Hubungi Kami
PT. INDIR A MITRA BOILER
- Kantor : Emerald Residence Sepatan Ruko 8i, RT.026/RW.005, Kosambi, Kec. Sukadiri, Kabupaten Tangerang, Banten 15530
- Whatsapp : 0895 3287 02165
- Ponsel : 0821 1185 1623
- Telp : 021 5011 0567
- Surel : wahyuidm86@gmail.com
- : wahyuspi46@gmail.com
-
Be the first to review “CONTROL GAS BURNER RIELLO R40 FS10 / FS20 RMG 88.62.C2 (SIEMENS)”






Reviews
There are no reviews yet.