LIGHT OIL BURNER RIELLO RL 28/M – BURNER SOLAR MODULATING
LIGHT OIL BURNER RIELLO RL 28/M – BURNER SOLAR MODULATING
-
RIELLO RL 28/M – BURNER SOLAR MODULATING
Burner Light Oil RIELLO RL 28/M Ialah Mesin Pembakaran yang berbahan bakar solar dengan Merk RIELLO ITALIA. yang mencakup rentang daya 82.000/143.000 hingga 286.000 Kcal/Jam, dan telah dirancang untuk digunakan pada boiler air panas atau superheater, generator udara panas atau uap, serta boiler minyak diatermik. Pengoperasiannya dapat berupa “progresif dua tahap” atau, sebagai alternatif, “modulasi” dengan pemasangan regulator logika PID dan probe terkait.
Burner seri RL/M menjamin tingkat efisiensi tinggi di semua aplikasi, sehingga mengurangi konsumsi bahan bakar dan biaya operasional. Optimalisasi emisi suara dijamin oleh penggunaan kipas dengan bilah miring ke depan dan material peredam suara yang terintegrasi dalam sirkuit hisap udara. Desain eksklusifnya memastikan dimensi yang lebih ringkas, penggunaan, dan perawatan yang mudah. Beragam aksesori menjamin fleksibilitas kerja yang lebih tinggi.
TEKNIKAL DATA RIELLO RL 28/M
- Parameter : RL 28 (652 T1)
- OUTPUT – Tahap ke-2 : kW 166 – 332
- Mkal/jam 143 – 286
- kg/jam 14 – 28
- OUTPUT – Tahap ke-1 : kW 95 – 166
- Mkal/jam 82 – 143
- kg/jam 8 – 14
- Jenis Bahan Bakar : Minyak Ringan
- Nilai kalor bersih 11,8 kWh/kg — 10,2 Mcal/kg
- Densitas (kg/dm³) 0,82 – 0,85
- Viskositas pada 20°C maks. 6 mm²/dtk (1,5°E – 6 cSt)
- Operasi Intermiten (min. 1 stop/24 jam); Dua tahap (nyala api tinggi/rendah) atau satu tahap (tidak ada api sama sekali)
- Nozel (jumlah) 2
- Aplikasi standar Boiler: air, uap, minyak diatermik
- Suhu sekitar (°C) 0 – 40
- Suhu udara pembakaran (°C) 60
- Pasokan listrik (V) 230 ±10% fase tunggal
- Pasokan listrik (Hz) 50
- RPM motor listrik 2800
- Daya motor (W) 300
- Tegangan (V) 230
- Arus (A) 2,4
- Kapasitor motor (µF/V) 12,5/450
- Trafo pengapian 230 V – 2×5 kV; 1,9 A – 30 mA
- Debit pompa (kg/jam @20 bar) 45
- Rentang tekanan (bar) 7–14
- Suhu bahan bakar maks. (°C)** 60
- Konsumsi daya listrik (W maks.) 370
- Perlindungan listrik IP 44
- Petunjuk kesesuaian 2006/42/EC – 2014/35/UE – 2014/30/UE
- Tingkat kebisingan (dBA)
- Tekanan suara 68
- Daya suara 79
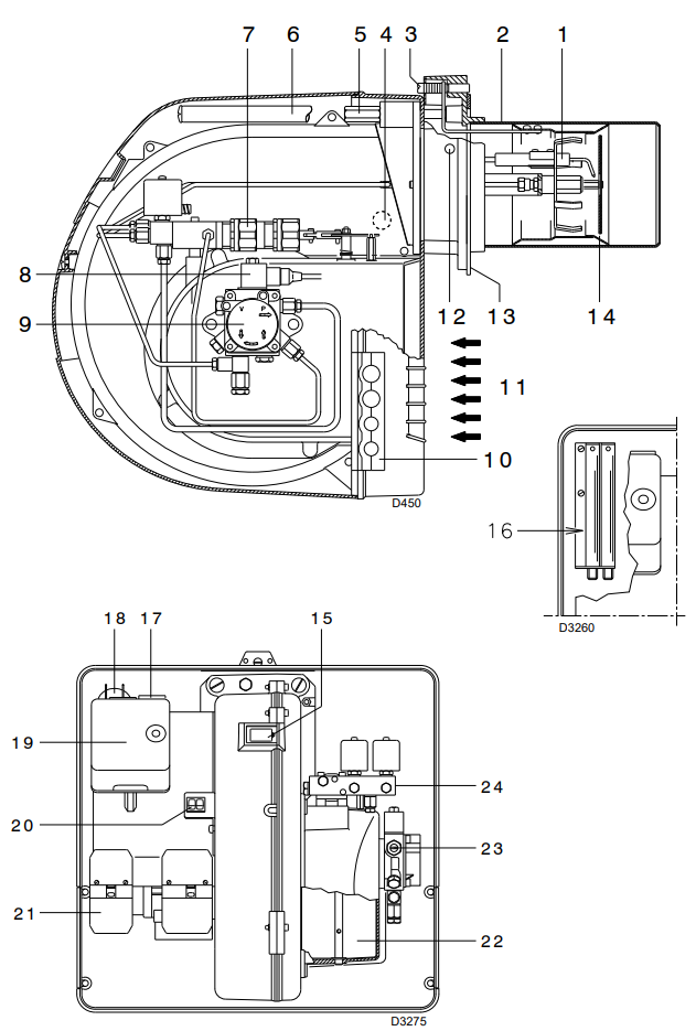
DESKRIPSI RIELLO RL 28/M
DESKRIPSI PEMBAKAR (A)
1 Elektroda pengapian
2 Kepala pembakaran
3 Sekrup untuk penyetelan kepala pembakaran
4 Fotosel untuk pengontrol keberadaan api
5 Sekrup untuk memasang kipas ke flensa
6 Batang geser untuk membuka pembakar dan
memeriksa kepala pembakaran
7 Silinder hidrolik untuk pengaturan katup gerbang udara pada posisi tahap 1 dan 2.
Saat pembakar tidak beroperasi, katup gerbang udara tertutup sepenuhnya untuk mengurangi penyebaran panas dari boiler akibat aliran udara
yang menarik udara dari saluran masuk hisap kipas.
8 Katup solenoida pengaman (RL 38 – RL 50)
9 Pompa
10 Pelat yang telah diatur sebelumnya untuk mengebor 4 lubang untuk jalur selang dan kabel listrik. 11 Saluran masuk udara ke kipas
12 Titik uji tekanan kipas
13 Flensa pemasangan boiler
14 Cakram stabilitas api
15 Jendela inspeksi api
16 Ekstensi untuk batang geser 6)
17 Kontaktor motor dan tombol reset pemutus termal
(RL 38 tiga fase – RL 50)
18 Kapasitor motor
(RL 28 – RL 38 satu fase)
19 Kotak kontrol dengan lampu pilot pengunci dan tombol reset pengunci
20 Dua sakelar:
– satu untuk “burner mati – menyala”
– satu untuk “operasi tahap 1 – 2”
21 Colokan untuk sambungan listrik
22 Katup gerbang udara
23 Penyetelan tekanan pompa
24 Rakitan katup tahap 1 dan 2PT. INDIRA MITRA BOILER
Gudang : Blk. D19 Jl. Utama Raya Perum Permata Sepatan No.21, Pisangan Jaya, Kec. Sepatan, Kabupaten Tangerang, Banten 15520Office : Emerald Residence Sepatan Ruko 8i, RT.026/RW.005, Kosambi, Kec. Sukadiri, Kabupaten Tangerang, Banten 15530Whatsapp : 0895 3287 02165Mobile : 0821 1185 1623Tlp : 021 5011 0567Email : wahyuidm86@gmail.comwahyuspi46@gmail.com -
Be the first to review “LIGHT OIL BURNER RIELLO RL 28/M – BURNER SOLAR MODULATING”






Reviews
There are no reviews yet.