RIELLO RL 190/M – BURNER SOLAR MODULATING
RIELLO RL 190/M – BURNER SOLAR MODULATING
-
RIELLO RL 190/M – BURNER SOLAR MODULATING
Burner solar RIELLO RL 190/M merupakan mesin pembakar Industri dengan bahan bakar solar. yang mencakup rentang daya 653.000/1.224.000 hingga 2.100.000 Kcal, dan telah dirancang untuk digunakan pada boiler air panas atau superheater, generator udara panas atau uap, serta boiler minyak diatermik. Pengoperasiannya dapat berupa “progresif dua tahap” atau, sebagai alternatif, “modulasi” dengan pemasangan regulator logika PID dan probe terkait.
Burner seri RL/M menjamin tingkat efisiensi tinggi di semua aplikasi, sehingga mengurangi konsumsi bahan bakar dan biaya operasional. Optimalisasi emisi suara dijamin oleh penggunaan kipas dengan bilah miring ke depan dan material peredam suara yang terintegrasi dalam sirkuit hisap udara. Desain eksklusifnya memastikan dimensi yang lebih ringkas, penggunaan, dan perawatan yang mudah. Beragam aksesori menjamin fleksibilitas kerja yang lebih tinggi.
SPESIFIKASI RIELLO RL 190/M
- MODEL : RL 190
- KODE : 3475614 20011018
- OUTPUT (1)
- PENGIRIMAN (1)
- Tahap ke-2° kW : 1423 – 2443
- Mkal/jam : 1224 – 2100
- kg/jam : 120 – 206
- Tahap ke-1° kW : 759 – 1423
- Mkal/jam : 653 – 1224
- kg/jam : 64 – 120
- BAHAN BAKAR MINYAK RINGAN
- – Nilai kalor bersih : kWh/kg 11,8 – Mkal/kg 10,2 (10.200 kkal/kg)
- – Densitas : kg/dm3 0,82 – 0,85
- – Viskositas pada 20 °C mm2/s : maks. 6 (1,5 °BT – 6 cSt)
- OPERASIONAL : Intermiten (min. 1 pemberhentian dalam 24 jam).
- Dua tahap (api tinggi dan rendah) dan satu tahap (semua – tidak ada).
- NOZEL : nomor 2
- APLIKASI STANDAR Boiler : air, uap, minyak diatermik
- SUHU LINGKUNGAN : °C 0 – 40
- SUHU UDARA PEMBAKARAN : °C maks. 60
- Pengiriman POMPA J7C : (pada 12 bar) rentang tekanan, suhu bahan bakar
- kg/jam : 230
- bar : 10 – 21
- °C maks. : 90
- TINGKAT KEBISINGAN (2) dBA : 83,9
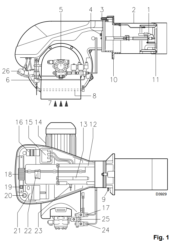
DESKRIPSI RIELLO RL 190/M
1 Elektroda pengapian
2 Kepala pembakaran
3 Sekrup untuk penyetelan kepala pembakaran
4 Sekrup untuk memasang kipas ke flensa
5 Pompa
6 Silinder hidrolik untuk pengaturan katup gerbang udara pada posisi tahap 1
dan 2. Saat pembakar tidak beroperasi,
katup gerbang udara tertutup sepenuhnya untuk mengurangi penyebaran panas dari boiler akibat aliran asap yang menarik
udara dari saluran masuk hisap kipas. 7 Saluran masuk udara ke kipas
8 Katup gerbang udara
9 Titik uji tekanan kipas
10 Flensa pemasangan boiler
11 Cakram stabilitas api
12 Batang geser untuk membuka pembakar dan memeriksa kepala pembakaran
13 Ekstensi untuk batang geser 12)
14 Motor listrik
15 Trafo pengapian
16 Kontaktor motor dan pemutus termal dengan tombol reset
17 Katup tahap 1
18 Strip terminal
19 Dua sakelar:
– satu untuk “pembakar mati – hidup”
– satu untuk “operasi tahap 1 – 2”
20 Fairlead untuk pemasangan kabel yang dilakukan oleh pemasang
21 Kotak kontrol dengan lampu pilot pengunci dan tombol reset pengunci
22 Jendela inspeksi api
23 Fotoresistor untuk kontrol keberadaan api
24 Katup tahap 2
25 Katup solenoida pengaman
26 Soket untuk sambungan listrikPT. INDIRA MITRA BOILER
Gudang : Blk. D19 Jl. Utama Raya Perum Permata Sepatan No.21, Pisangan Jaya, Kec. Sepatan, Kabupaten Tangerang, Banten 15520Office : Emerald Residence Sepatan Ruko 8i, RT.026/RW.005, Kosambi, Kec. Sukadiri, Kabupaten Tangerang, Banten 15530Whatsapp : 0895 3287 02165Mobile : 0821 1185 1623Tlp : 021 5011 0567Email : wahyuidm86@gmail.comwahyuspi46@gmail.com -
Be the first to review “RIELLO RL 190/M – BURNER SOLAR MODULATING”






Reviews
There are no reviews yet.