MESIN BURNER SOLAR – RIELLO RL 50 ( 500.000 KCAL )
-
MESIN BURNER SOLAR – RIELLO RL 50 (500.000 KCAL)
Burner Riello RL 50 Adalah mesin Pembakar Industri dengan bahan bakar Solar Brand Riello Italia. kapasitas mencakup rentang daya pembakaran dari 127.000 hingga 510.000 Kcal/jam, dan telah dirancang untuk digunakan pada boiler air panas suhu rendah atau menengah, boiler udara panas atau uap, serta boiler minyak diatermik.
Pengoperasiannya bersifat “dua tahap”; burner dilengkapi dengan panel kontrol berbasis mikroprosesor, yang memberikan indikasi status burner dan penyebab kerusakan. Optimalisasi emisi suara dijamin oleh desain khusus sirkuit penghisap udara dan material peredam suara yang terintegrasi. Kinerja kipas dan kepala pembakaran yang tinggi menjamin fleksibilitas penggunaan dan kinerja yang sangat baik pada semua laju pembakaran. Desain eksklusif memastikan dimensi yang lebih kecil, penggunaan dan perawatan yang sederhana. Berbagai macam aksesori menjamin fleksibilitas kerja yang tinggi.
DATA TEKNIS RIELLO RL 50 ( 500.000 KCAL )
- Model : Riello RL 50
- Tipe : 654 T1
- Output / Pengiriman (1) : Tahap ke-2 296 – 593 kW / 255 – 510 Mcal/jam
- Kebutuhan Bahan Bakar: 25 – 50 kg/jam
- Tahap ke-1 : 148 – 296 kW / 127 – 255 Mcal/jam
- Kebutuhan Bahan Bakar : kg/jam 12,5 – 25
- Bahan Bakar / Spesifikasi Item
- Jenis Bahan Bakar Minyak Ringan
- Nilai kalor bersih 11,8 kWh/kg
- 10,2 Mcal/kg (10.200 kcal/kg)
- Kepadatan 0,82 – 0,85 kg/dm³
- Viskositas pada 20 °C maks 6 mm²/s (1,5 – 6 cSt)
- Pengoperasian : Pengoperasian Mode Intermiten (minimal 1 kali berhenti dalam 24 jam)
Tahap Dua tahap (api tinggi/rendah) & satu tahap (semua–tidak ada) - Nosel = 2
- Aplikasi standar Ketel uap : air, uap, minyak diatermik
- Suhu sekitar : 0 – 40 °C
- Suhu udara pembakaran maks : 60 °C
- Pasokan Listrik
- Tegangan 230–400 V ±10%
- Frekuensi 50 Hz tiga fasa
- Motor Listrik
- Kecepatan 2800 rpm
- Daya 650 W
- Tegangan 220/240 – 380/415 V
- Arus 3.0 – 1.7 A
- Kapasitor Motor : μF / V12.5 / 45016 / 450
- Transformator Pengapian : V1 – V2 230 V – 2 × 5 kV – I1 – I2 1,9 A – 30 mA
- Pompa : Pengiriman (pada 20 bar) 88 kg/jam
- Rentang tekanan : 4 – 18 bar
- Suhu bahan bakar maks : 60 °C
- Lainnya
- Konsumsi daya listrik maksimal : 750 W
- Perlindungan listrik : IP 44
- Arahan kesesuaian : 2006/42/EC – 2014/35/UE – 2014/30/UE
- Tingkat kebisingan – Tekanan suara : 75 dB(A)
- Tingkat kebisingan – Daya suara : 86 dB(A)
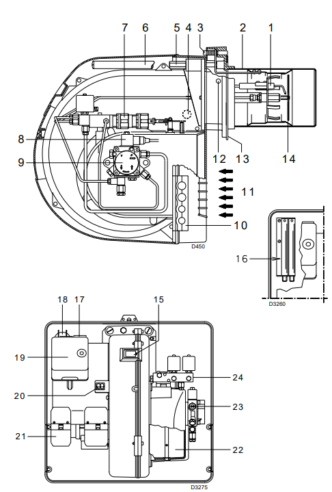
DESKRIPSI RIELLO RL 50 ( 500.000 KCAL )
DESKRIPSI PEMBAKAR (A)
1 Elektroda pengapian
2 Kepala pembakaran
3 Sekrup penyetel kepala pembakaran
4 Fotoresistor untuk deteksi nyala api
5 Sekrup untuk mengamankan kipas ke flensa
6 Pemandu untuk membuka pembakar dan memeriksa kepala pembakaran
7 Dongkrak hidrolik untuk menyetel peredam udara pada posisi tahap 1 dan 2.Selama pembakar tidak aktif, peredam udara tertutup sepenuhnya untuk meminimalkan kehilangan panas dari boiler karena aliran udara cerobong, yang menarik udara dari saluran masuk kipas.
8 Katup solenoid pengaman (RL 38 – RL 50)
9 Pompa
10 Pelat yang dirancang untuk membuat 4 lubang untuk jalur selang fleksibel dan kabel listrik.11 Saluran masuk udara kipas
12 Keran tekanan kipas
13 Flensa pemasangan boiler
14 Cakram stabilitas api
15 Kaca pengintai api
16 Ekstensi pemandu 6)
17 Kontaktor motor dan relai termal dengan tombol pelepas (RL 38 tiga fasa – RL 50)
18 Kapasitor motor
(RL 28 – RL 38 satu fasa)
19 Peralatan listrik dengan lampu indikator pengunci dan tombol pelepas20 Dua sakelar listrik:
– satu untuk “menyalakan/mematikan pembakar”;– satu untuk “tahap 1 – 2”.
21 Steker sambungan listrik
22 Peredam udara
23 Penyesuaian tekanan pompa
24 Kelompok katup tahap 1 dan 2PT. INDIRA MITRA BOILER
- Office : Emerald Residence Sepatan Ruko 8i, RT.026/RW.005, Kosambi, Kec. Sukadiri, Kabupaten Tangerang, Banten 15530
- Whatsapp : 0895 3287 02165
- Mobile : 0821 1185 1623
- Tlp : 021 5011 0567
- Email : wahyuidm86@gmail.com
- wahyuspi46@gmail.com
-
Be the first to review “MESIN BURNER SOLAR – RIELLO RL 50 ( 500.000 KCAL )”








Reviews
There are no reviews yet.