MESIN BURNER SOLAR – RIELLO RL 70 ( 700.000 KCAL )
-
MESIN BURNER SOLAR – RIELLO RL 70 (700.000 KCAL)
Burner Riello RL 70 Adalah mesin Pembakar Industri dengan bahan bakar Solar Brand Riello Italia. kapasitas mencakup rentang daya pembakaran dari 219.000 hingga 714.000 Kcal/jam, dan telah dirancang untuk digunakan pada boiler air panas suhu rendah atau menengah, boiler udara panas atau uap, serta boiler minyak diatermik.
Pengoperasiannya bersifat “dua tahap”; burner dilengkapi dengan panel kontrol berbasis mikroprosesor, yang memberikan indikasi status burner dan penyebab kerusakan. Optimalisasi emisi suara dijamin oleh desain khusus sirkuit penghisap udara dan material peredam suara yang terintegrasi. Kinerja kipas dan kepala pembakaran yang tinggi menjamin fleksibilitas penggunaan dan kinerja yang sangat baik pada semua laju pembakaran. Desain eksklusif memastikan dimensi yang lebih kecil, penggunaan dan perawatan yang sederhana. Berbagai macam aksesori menjamin fleksibilitas kerja yang tinggi.
DATA TEKNIS RIELLO RL 70 ( 700.000 KCAL )
- Model : Riello RL 70
- Tipe : 660 T1
- Output / Pengiriman (1) Tahap ke-2 : 474 – 830 kW / 408 – 714 Mcal/jam
- Kebutuhan Bahan Bakar : 40 – 70 kg/jam
- Tahap ke-1 : 255 – 474 kW / 219 – 408 Mcal/jam
- Keluaran bahan Bakar : 21,5 – 40 kg/jam
- Bahan Bakar
- Jenis Bahan Bakar Minyak Ringan
- Nilai kalor bersih 11,8 kWh/kg
- 10,2 Mcal/kg (10.200 kcal/kg)
- Kepadatan 0,82 – 0,85 kg/dm³
- Viskositas pada 20 °C maks 6 mm²/s (1,5 – 6 cSt)
- Pengoperasian : Pengoperasian Mode Intermiten (minimal 1 kali berhenti dalam 24 jam)
- Tahap Dua tahap (api tinggi & rendah) dan satu tahap (semua–tidak ada)
- Nosel 2
- Aplikasi standar Ketel uap : air, uap, minyak diatermik
- Suhu sekitar : 0 – 40 °C
- Suhu udara pembakaran maks : 60 °C
- Pompa : Pengiriman (pada 12 bar) 107 kg/jam
- Kisaran tekanan : 10 – 20 bar
- Suhu bahan bakar maks 60 °C
- Perlindungan listrik IP 44
- Tingkat kebisingan 75 dB(A)
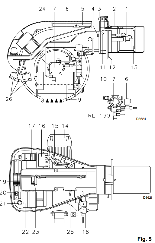
DESKRIPSI RIELLO RL 70 ( 700.000 KCAL )
1 Elektroda pengapian
2 Kepala pembakaran
3 Sekrup untuk penyetelan kepala pembakaran
4 Sekrup untuk memasang kipas ke flensa
5 Batang geser untuk membuka pembakar dan memeriksa kepala pembakaran
6 Katup solenoid pengaman
7 Pompa
8 Saluran masuk udara ke kipas
9 Katup gerbang udara
10 Silinder hidrolik untuk pengaturan katup gerbang udara pada posisi tahap 1 dan 2. Ketika pembakar tidak beroperasi,
katup gerbang udara tertutup sepenuhnya untuk mengurangi penyebaran panas dari boiler karena aliran udara cerobong yang menarik udara dari saluran masuk hisap kipas.11 Titik uji tekanan kipas
12 Flensa pemasangan boiler
13 Disk stabilitas api
14 Motor listrik
15 Ekstensi untuk batang geser 5)
16 Transformator pengapian
17 Kontaktor motor dan pemutus termal dengan tombol reset
18 Rakitan katup tahap 1 dan 2
19 Strip terminal
20 Dua sakelar:
– satu “pembakar mati – hidup”
– satu untuk “pengoperasian tahap 1 – 2”
21 Pemandu kabel untuk pemasangan kabel oleh pemasang
22 Kotak kontrol dengan lampu pilot pengunci dan tombol reset pengunci
23 Jendela inspeksi api
24 Penyesuaian tekanan pompa
25 Sel fotolistrik untuk kontrol keberadaan api
26 Soket untuk sambungan listrikPT. INDIRA MITRA BOILER
- Office : Emerald Residence Sepatan Ruko 8i, RT.026/RW.005, Kosambi, Kec. Sukadiri, Kabupaten Tangerang, Banten 15530
- Whatsapp : 0895 3287 02165
- Mobile : 0821 1185 1623
- Tlp : 021 5011 0567
- Email : wahyuidm86@gmail.com
- wahyuspi46@gmail.com
-
Be the first to review “MESIN BURNER SOLAR – RIELLO RL 70 ( 700.000 KCAL )”








Reviews
There are no reviews yet.