MESIN BURNER SOLAR – RIELLO RL 190 ( 2.000.000 KCAL )
-
MESIN BURNER SOLAR – RIELLO RL 190 ( 2.000.000 KCAL )
Burner Riello RL 190 Adalah mesin Pembakar Industri dengan bahan bakar Solar Brand Riello Italia. kapasitas mencakup rentang daya pembakaran dari 653.000 hingga 2.100.000 Kcal/jam, dan telah dirancang untuk digunakan pada boiler air panas suhu rendah atau menengah, boiler udara panas atau uap, serta boiler minyak diatermik.
Pengoperasiannya bersifat “dua tahap”; burner dilengkapi dengan panel kontrol berbasis mikroprosesor, yang memberikan indikasi status burner dan penyebab kerusakan. Optimalisasi emisi suara dijamin oleh desain khusus sirkuit penghisap udara dan material peredam suara yang terintegrasi. Kinerja kipas dan kepala pembakaran yang tinggi menjamin fleksibilitas penggunaan dan kinerja yang sangat baik pada semua laju pembakaran. Desain eksklusif memastikan dimensi yang lebih kecil, penggunaan dan perawatan yang sederhana. Berbagai macam aksesori menjamin fleksibilitas kerja yang tinggi.
DATA TEKNIS RIELLO RL 190 ( 2.000.000 KCAL )
- MODEL : Riello RL 190
- KODE : 3475614 20011018
- OUTPUT (1) PENGIRIMAN (1)
- Tahap ke-2° : 1423 – 2443 kW / 1224 – 2100 Mcal/jam
- Keluaran Bahan Bakar : 120 – 206 kg/jam
- Tahap ke-1° : 759 – 1423 kW
- 653 – 1224 Mcal/jam
- Keluaran Bahan Bakar : 64 – 120 kg/jam
- BAHAN BAKAR MINYAK RINGAN
- – Nilai kalor bersih 11,8 kWh/kg – 10,2 Mcal/kg (10.200 kcal/kg)
- – Kepadatan kg/dm3 0,82 – 0,85
- – Viskositas pada 20 °C mm2/s maks 6 (1,5 °E – 6 cSt)
- OPERASI Intermiten (min. 1 berhenti) (dalam 24 jam). Dua tahap (api tinggi dan rendah) dan satu tahap (semua – tidak ada).
- NOZEL nomor 2
- APLIKASI STANDAR Boiler : air, uap, minyak diatermik
- SUHU AMBIEN °C
- SUHU UDARA PEMBAKARAN °C maks 60
- Pengiriman POMPA J7C (pada 12 bar) : 230 kg/jam
- Rentang tekanan : 10 – 21 bar
- Suhu bahan bakar : 90 °C maks
- TINGKAT KEBISINGAN (2) dBA : 83,9
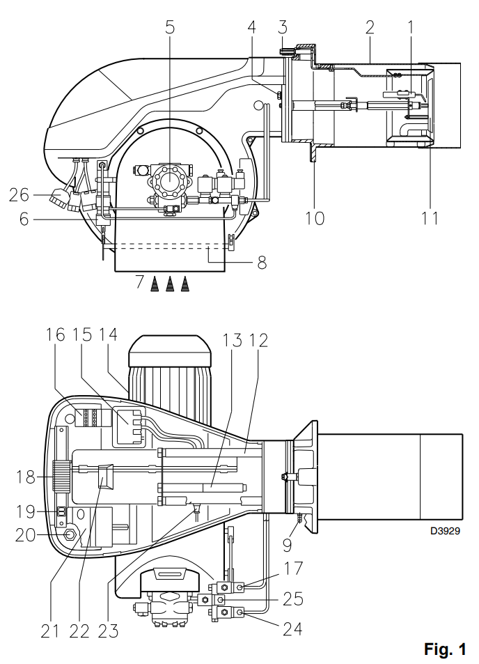
DESKRIPSI RIELLO RL 190 ( 2.000.000 KCAL )
1 Elektroda pengapian
2 Kepala pembakaran
3 Sekrup untuk penyetelan kepala pembakaran
4 Sekrup untuk memasang kipas ke flensa
5 Pompa
6 Silinder hidrolik untuk pengaturan katup gerbang udara pada posisi tahap 1 dan 2. Ketika pembakar tidak beroperasi,
katup gerbang udara tertutup sepenuhnya untuk mengurangi penyebaran panas dari boiler karena aliran udara cerobong yang menarik udara dari saluran masuk hisap kipas.7 Saluran masuk udara ke kipas
8 Katup gerbang udara
9 Titik uji tekanan kipas
10 Flensa pemasangan boiler
11 Disk stabilitas api
12 Batang geser untuk membuka pembakar dan memeriksa kepala pembakaran
13 Ekstensi untuk batang geser 12)
14 Motor listrik
15 Transformator pengapian
16 Kontaktor motor dan pemutus termal dengan tombol reset
17 Katup tahap 1
18 Strip terminal
19 Dua sakelar:
– satu “pembakar mati – hidup”
– satu untuk “operasi tahap 1 – 2”
20 Pemandu kabel untuk pemasangan kabel oleh pemasang
21 Kotak kontrol dengan lampu pilot pengunci dan tombol reset pengunci
22 Jendela inspeksi api
23 Fotoresistor untuk kontrol keberadaan api
24 Katup tahap 2
25 Katup solenoid pengaman
26 Soket untuk sambungan listrikPT. INDIRA MITRA BOILER
- Office : Emerald Residence Sepatan Ruko 8i, RT.026/RW.005, Kosambi, Kec. Sukadiri, Kabupaten Tangerang, Banten 15530
- Whatsapp : 0895 3287 02165
- Mobile : 0821 1185 1623
- Tlp : 021 5011 0567
- Email : wahyuidm86@gmail.com
- wahyuspi46@gmail.com
-
Be the first to review “MESIN BURNER SOLAR – RIELLO RL 190 ( 2.000.000 KCAL )”








Reviews
There are no reviews yet.