JUAL RIELLO PRESS 2G – BURNER SOLAR TWO STAGE ITALY
JUAL RIELLO PRESS 2G – BURNER SOLAR TWO STAGE ITALY
Burner Press 2G adalah burner original Italia dengan bahan bakar Solar sistem pembakaran dua tahap karena menggunakan 2 nozzle dengan kapasitas yang berbeda, sehingga menghasilkan nyala api dan kalori yang berbeda setiap tahapannya. Api satu dapat menghasilkan kapasitas 184.000 – 306.000 Kcal dan Api duanya menghasilkan Maksimal 612.000 Kcal.
di desain dengan kepala pembakaran, yang dapat diatur berdasarkan output yang dibutuhkan, memungkinkan kinerja optimal yang memastikan pembakaran yang baik dan mengurangi konsumsi bahan bakar.
Fitur utama pembakar ini adalah keandalannya karena konstruksinya yang sederhana dan kuat, yang memungkinkan pengoperasian tanpa intervensi perawatan khusus.
Burner Press 2G dapat di aplikasikan untuk:
- Mesin Steam Boiler
- Mesin Incenerator
- Pemanas Aspal
- Pemanas Rotary
- Pemanas Ruang Oven
- Kremasi
- dll
TEKNIKAL DATA RIELLO PRESS 2G
ELEKTRIKAL DATA MODEL : PRESS 2G
- – ELECTRICAL SUPPLY V Hz : 230 ~ +/- 10% :50 single-phase
- – ELECTRIC MOTOR rpm : 2800
- W: 0.75
- V: 230 – 400
- A: 2.9 – 1.68
- MOTOR CAPACITOR µF/V : 8/450
- IGNITION TRANSFORMER V1 – V2 : 230V – 8kV
- I1 – I2 : 1.8A – 30mA
- ELECTRICAL POWER CONSUMPTION W max : 1.070
- ELECTRICAL PROTECTION : IP 40
SPESIFIKASI PRODUK RIELLO PRESS 2G
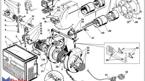
Pembakar:
Pembakar minyak monoblok dengan aliran udara paksa dan operasi dua tahap, sepenuhnya otomatis, terdiri dari:
- – Sirkuit penghisapan udara yang dilapisi bahan kedap suara
- – Kipas dengan bilah lengkung maju dengan kinerja tinggi terkait tekanan dan pengiriman udara
- – Peredam udara untuk pengaturan udara
- – Ram hidrolik untuk kontrol peredam udara
- – Motor starter pada 2800 rpm, tiga fase 400V dengan netral, 50Hz (fase tunggal, 230V dan 50Hz untuk model PRESS GW)
- – Kepala pembakaran, yang dapat diatur berdasarkan output yang dibutuhkan,
dilengkapi dengan:
- – kerucut ujung baja tahan karat, tahan terhadap korosi dan suhu tinggi
- – elektroda pengapian
- – cakram stabilitas nyala api
- – Titik uji tekanan kipas
- – Pompa roda gigi untuk pasokan bahan bakar bertekanan tinggi, dilengkapi dengan:
- – filter
- – pengatur tekanan
- – sambungan untuk memasang pengukur tekanan dan vakuometer
- – bypass internal untuk pemasangan pipa tunggal
- – Unit katup dengan dua katup oli pengiriman pada sirkuit keluaran
- – Fotosel untuk deteksi nyala api
- – Kontrol nyala api berbasis mikroprosesor panel, dengan fungsi diagnostik
SPESIFIKASI PRODUK
- – Batang geser untuk memudahkan pemasangan dan perawatan
- – Filter pelindung terhadap gangguan radio
- – Tingkat perlindungan listrik IP 44.
Sesuai dengan:
- – Petunjuk 89/336/EEC (kompatibilitas elektromagnetik)
- – Petunjuk 73/23/EEC (tegangan rendah)
- – Petunjuk 92/42/EEC (kinerja) – Petunjuk 98/37/EEC (mesin)
- – EN 267 (pembakar bahan bakar cair).
Peralatan standar:
- – 2 pipa fleksibel untuk sambungan ke jaringan pasokan minyak
- – 2 gasket untuk pipa fleksibel
- – 2 puting untuk sambungan ke pompa
- – 4 sekrup untuk mengencangkan flens pembakar ke boiler
- – 1 layar termal
- – Buku petunjuk pemasangan, penggunaan, dan perawatan- Katalog suku cadang.
Aksesori yang tersedia untuk dipesan secara terpisah:
- – Nozel
- – Kit ekstensi kepala
- – Kit pengurangan panjang kepala
- – Kotak kedap suara
- – Unit degassing (dengan atau tanpa filter)
- – Kit penutup peredam udara lengkap
- – Kit antarmuka PC.
PT. INDIRA MITRA BOILER











Comments
No comment yet.